Hong Kong Style Junk Pelican -
Using FreeShip Ship Design Software
Previously I posted a document that demonstrated the offsets
for the 18' Super Pelican.
Since the Yangtze
Pelican is based on the 18' Pelican, I thought I
would make a stab at using the same software to develop a concept
for a junk rigged Pelican.
I am sure there will be all sorts of thoughts and/or comments
about "Why would anybody want to do that?" That is not
the point of this paper. This paper is an attempt to show "What
if...?" to anybody who does have an interest in the Chinese
junk. If you don't have an interest in the Chinese junk... just
quit reading.
Design Approach
To begin with, I started with my previous development of the
18' Pelican. I then searched the internet for pictures of Chinese
junks since I wanted something that would very closely resemble
the actual junk design. Using these photos, I used CAD software
to make measurements of the masts and spars as well as the battens
and their angles. There are many patterns for the junk rig out
on the internet and everybody is free to choose their own preference.
I wanted to replicate the real deal.
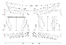
After looking at many pictures of the junks in Hong Kong harbor,
I decided that one of the hull characteristics was the sweeping
shear line and the high bow and stern. I decided to build that
shape into my "Hong Kong style" Pelican. Drawing on
the design concept of the Yangtze Pelican, I have used a raised
deck fore and aft with a center cockpit.
I wanted to preserve the "in water" characteristics
of the 18' Pelican, so I left the Hull shape below the waterline
without any changes. The raised decks at first appeared "boxy"
so using the fairing software I pulled the shear line into a fair
curve that resembled the Hong Kong junks. The software allowed
me to pull the whole thing together using the natural expansion
curves of the sides and bottom. This raised and extended the bow
transom (all of which is above the 18' Pelican design water line)
and increased the rake of the stern transom. The overall length
came out to be right at 20'.
The sails in the drawings are patterned after the Hong Kong junk.
Actually they are more of a concept drawing at this stage than
a technical drawing of the sails. I did not compute exact locations
for the centers, sail area, etc. for example. Based on the Hong
Kong junk photos, a main sail with 12' boom length would have
about 125 sq. ft. of area and the fore sail would have an area
of about 37 sq. ft. The mizzen would be a tiny 16 sq ft if you
wanted one for looks.
So, here is another concept drawing of an adaptation of the 18'
Pelican into a junk rigged boat. If nothing else perhaps it will
increase interest in the plans available from Muriel Short. If
you have any questions please feel free to contact me at saintk@roadrunner.com.
The Pelican boats are designed by Captain William Short.
email: pelicansailboat@msn.com
https://community-2.webtv.net/PelicanSailboat/SFPELICANSAILBOATS
https://groups.yahoo.com/group/pelicansailboats
(Archives, pictures, files)
https://groups.yahoo.com/group/pelican-sail
(Discussion, pictures, files)
*****

|